Membuat Charger Handphone Dengan Koneksi USB Di Motor (Bagian 2)

, , , ,

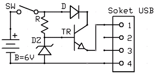
Setelah kemarin mencoba membuat sendiri charger nya, sekarang giliran buat pasang di red pio. Jalur yang saya pakai adalah ke aki, namun bukan langsung ke aki, melainkan ke kunci kontak. Kunci kontak pio sendiri ada 3 kabel yakni Merah, Hitam dan Coklat. Kalau kunci kontak OFF, maka Merah dan Coklat menyatu, sedangkan kalau OFF maka Coklat dan Hitam menyatu. Tapi lupa mengabadikan pas bongkar-bongkar kabelnya 😀 hehehe

Kondisi terpasang bareng bracket handphone

Saya sambungkan (+) nya kabel coklat, dan (-) nya ke kabel hitam, karena biar waktu kunci kontak OFF, charger juga off. Maksudnya, biar pas motor parkir dan ada yg iseng, listrik tetep off. Atau kalau hujan ga konslet, soalnya belum 100% water proof.  OK selebihnya biar gambar yang berbicara.

Kondisi ON, lampu merah menyala

Tes dengan Galaxy Mini a.k.a Galmin

Tes Galmin (bukan Garmin lho .. ) dipake buat GPS Navigation dalam perjalanan Boyolali – Wonosobo +/- 4 jam perjalanan, dan dinyatakan sukses hampir tanpa kendala berarti selain beberapa kelemahan yang telah diposting di artikel sebelumnya

Masih kasar dan belum rapi, project berikutnya bikin yang lebih rapi dan tentunya lebih safe. Selamat bereksperimen 😀 😀

31 replies
  1. Eko Nursoleh says:

    Gan,ane udh bkin rangkaian sama persis seperti di bagian 1 dan udh ane pasang di motor,,masalahnya buat ngecas kok lama bgt ya gan kira letak permasalahanya dmna gan apakh krna posisi led + R560 ohm nya ane pasang di bagian akhir atau output..mohon pencerahannya gan thx..

    Reply
  2. wahyu s says:

    maaf gan

    sudah saya praktekin kalau buat charger andromax ko bukanya ngisi ko malah nyedot ya,,,
    tp kalau buat hp lain bisa cepet full,gimana itu gan?

    Reply
  3. wahyu s says:

    Gan mau nanya lagi,gpp kan gan,,,
    lg pingin memperluas pengetahuan gan,

    Kalau untuk mengisi batery berapa (MAXIMAL-nya) output dari charger yg dibutuhkan dan kenapa harus segitu?
    contoh;
    -batery hp 3,7 Volt, itu (MAXIMAL) output chargernya harus berapa? dst,…
    Dan selisih antara kapasitas batery dan output charger harus berapa Volt?

    Tolong penjelasanya gan,,,

    Reply
  4. wahyu s says:

    Kembali ke BAG 1 gan…

    Gan kalau rankaianya mau di tambahin dioda zener itu gimana gan?
    letaknya dimana,kalau ic-nya ada dua apakah dioda zenernya harus dua juga?
    dan dioda zenernya yang ukuran berapa?

    Reply
  5. zaky fanani says:

    Maaf bro ak suka tapiGk lengkap kurang detail untuk pcbnya aj gk ad penjelasan urutan2 nyoldernya gambarnya pun gk bisa buat acuan cuma seperti produk iklan ak tunggu bro yang lebih detail.

    Reply
    • Khoirul Imamudin says:

      dari skema-nya, harusnya sudah mudah untuk bikin PCB nya… tinggal mainkan sedikit kreatifitas hehehe saya juga cuman pake pcb matrix, jadinya kasar.
      klo dgn pcb yang biasa, memang agak ribet, karena harus bolongin sendiri, harus larutin sendiri.. tapi hasilnya lebih rapi.

      Reply

Trackbacks & Pingbacks

  1. […] Setelah sebelumnya berhasil membuat prototype USB Charger v1, dan telah berhasil dengan ujicoba perjalanan Boyolali-Wonosobo dan sebaliknya Non-Stop tanpa kendala, iseng-iseng bikin yang versi kedua. Artikel sebelumnya bisa dilihat di disini dan disini. […]

Leave a Reply

Want to join the discussion?
Feel free to contribute!

Leave a Reply

Your email address will not be published. Required fields are marked *

This site uses Akismet to reduce spam. Learn how your comment data is processed.